1500 Tryckreduceringsventil HAWIDO

Tillverkare:

HAWIDO

Tryckreduceringsventil Hawido 1500. Reducerar variabelt inloppstryck till konstant utloppstryck. Justerbart utloppstryck 1,5–12 bar. För dricksvattenapplikationer. Finns i DN 40–300, PN 10–25.

  • DN/YD RSK/art.nr
    40-300

    83 1500150000

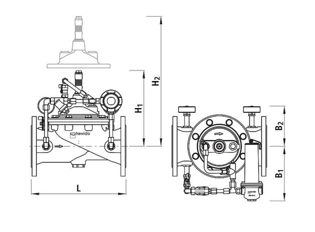
Produktbeskrivning

Tryckreduceringsventil Hawido 1500 för dricksvattenapplikationer. Ventilen reducerar ett variabelt inloppstryck till ett konstant och stabilt utloppstryck, oberoende av förändringar i inloppstryck och flöde. Den lämpar sig för tryckreglering i primära och sekundära rörnät, inklusive matning av brandvattenledningar och reservflöden.

Utloppstrycket är justerbart mellan 1,5–12 bar (standardutförande) och bibehålls stabilt genom en styrventil, även vid varierande inloppstryck. Ventilen är konstruerad för enkel installation och service. Den kan levereras som rak eller vinkelutförande.

För att säkerställa optimal funktion bör avstängningsventiler monteras på båda sidor om tryckreduceringsventilen, samt ett filter på inloppssidan. Vid behov kan ventilens installation kompletteras med monteringsbox och avluftningsventil.

Ventilen är uppbyggd av en robust huvudventil i segjärn, försedd med kulventiler, filter, backventil, styrventil och manometer. Den kan kompletteras med optisk eller elektrisk lägesvisare och öppningsbegränsare vid behov.

Hawido 1500 är tillverkad för användning inom dricksvattensektorn (andra medier på förfrågan). Den är särskilt lämplig vid installationer där höga krav ställs på tryckreglering, lång livslängd och driftsäkerhet.

Finns i dimensioner DN 40–300 och tryckklasser PN 10–25. Ventilpaket för komplett installation kan levereras mot förfrågan.

DN/YD Artikelnummer
40-300 83 1500150000