9841 Kulbackventil
Tillverkare:
Hawle
Kulbackventil med fri genomströmning och minimalt underhåll. Självrensande konstruktion för avlopps- och spillvattensystem.
Produktbeskrivning
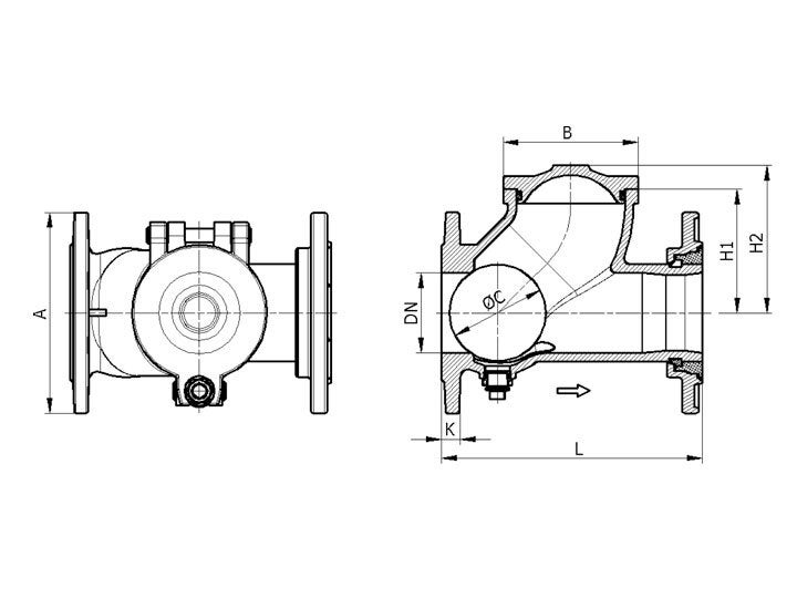
Hawle 9841 är en kulbackventil konstruerad för att förhindra bakflöde i trycksatta avlopps-, spill- och dräneringssystem. Ventilen använder en enkel, självjusterande kulmekanism som stänger passagen vid flödesomkastning, utan att kräva yttre energi eller styrning. Kulans rörelse sker fritt i ett sfäriskt ventilhus, vilket minimerar avlagringar och ger en självrensande effekt även i applikationer med högt partikelinnehåll. Ventilen är tillverkad i epoxibelagt segjärn (EN-GJS) med invändiga delar i slitstarka och korrosionsbeständiga material, vilket ger lång livslängd och hög driftsäkerhet även i krävande miljöer. Tätning sker via en integrerad elastomerkula med god kemikalieresistens. Den lutande sätesdesignen bidrar till att reducera tryckslag och ger låg stängningstid. Tack vare sin enkla konstruktion kräver Hawle 9841 minimalt underhåll och är mycket lätt att inspektera – locket kan öppnas utan att demontera ventilen från ledningen. Den finns i nominella dimensioner från DN 50 till DN 200, tryckklass PN 10/16, och kan installeras både horisontellt och vertikalt. Produkten lämpar sig särskilt väl för kommunala VA-system, pumpstationer och industrianläggningar där flödesstabilitet och pålitligt bakflödesskydd är avgörande.
| DN/YD | PN | Artikelnummer | B (mm) | ØC (mm) | H1 (mm) | H2 (mm) | K (mm) | L (mm) | Vikt (kg) |
|---|---|---|---|---|---|---|---|---|---|
| 50 | 16 | 9841 3000 | 100 | 62 | 86 | 103 | 19 | 200 | 8,75 |
| 80 | 16 | 9841 3900 | 135 | 96 | 123 | 147 | 19 | 260 | 14,40 |
| 100 | 16 | 5014003 | 165 | 122 | 155 | 186 | 19 | 300 | 21,00 |
| 150 | 16 | 5014005 | 231 | 178 | 225 | 272 | 19 | 400 | 48,00 |
| 200 | 10 | 9841 5600 | 306 | 247 | 315 | 371 | 20 | 500 | 87,80 |