Garnityr för slussventil/vridspjällsventil, rostfria
Varumärke:
Hawle
Tillverkare:
Hawle
Dubbelexcentrisk vridspjällventil med epoxibeläggning (≥250 µm) för dricksvatten. Levereras med växel som har skyddsklass IP68. Ventilsäte i rostfritt stål och tätningar i EPDM. Lämplig för manuell eller motordriven drift. Utförande enligt EN 593, bygglängd enligt EN 558-1, Serie 14. Finns tillgänglig i DN 150-1400
Dubbelexcentrisk vridspjällventil 9881K är en robust ventil avsedd för dricksvattenapplikationer och andra krävande miljöer där hög täthet, låg manöverkraft och lång livslängd är viktiga egenskaper. Ventilen är tillverkad i segjärn och invändigt samt utvändigt belagd med BPA-fri epoxy med en skikttjocklek på minst 250 µm, vilket ger ett mycket gott korrosionsskydd. Den är försedd med ett integrerat ventilsäte i rostfritt stål, som är svetsat och finbearbetat för att säkerställa långvarig och pålitlig tätning. Tätningarna består av EPDM och alla infästningar är tillverkade i rostfritt stål, vilket ytterligare bidrar till ventilens hållbarhet.
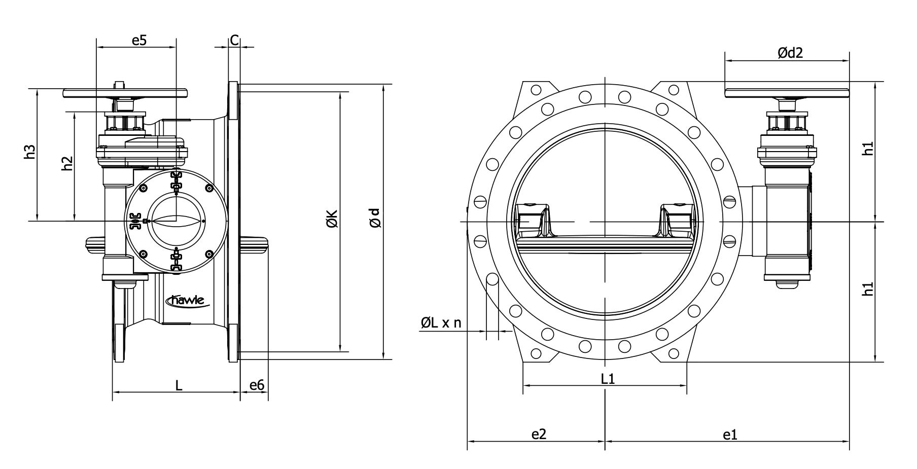
Axeln är också tillverkad i rostfritt stål och löper i en lagerhylsa av brons för att minimera friktion och säkerställa lätt manövrering även efter många års användning. Ventilen är utrustad med en manöverlösning som uppfyller skyddsklass IP68 och är anpassad för både nedgrävda och ovanmarkinstallationer. 9881K är konstruerad enligt EN 593 och testas enligt EN 1074-1/2 samt EN 12266. Bygglängden följer EN 558-1, Serie 14, och flänsarna är borrade enligt EN 1092-2.
Tack vare den dubbelexcentriska konstruktionen minimeras slitaget på tätningarna, vilket i sin tur ger lågt vridmoment och lång livslängd även vid frekventa manövreringar. Ventilen kan levereras med teleskopgarnityr, handratt eller elektriskt manöverdon, och passar särskilt bra där det ställs höga krav på driftsäkerhet och enkel underhållshantering. Ventilen finns tillgänglig i dimensioner från DN150 upp till DN1400 och kan på förfrågan levereras i specialutföranden.
| DN/PN | PN | Artikelnummer | C (mm) | Ød (mm) | Ød2 (mm) | e1 (mm) | e2 (mm) | e5 (mm) | e6 (mm) | h1 (mm) | h2 (mm) | h3 (mm) | ØK (mm) | L Serie 14 | ØL x n (mm) | L1 (mm) | Varv öppna/stäng | Vikt (kg) |
|---|---|---|---|---|---|---|---|---|---|---|---|---|---|---|---|---|---|---|
| 150/10 | 10 | 4656087 | 19 | 285 | 245 | 378 | 151 | 134 | - | 143 | 145 | 212 | 240 | 210 | 23x8 | - | 12,75 | 43,00 |
| 200/10 | 10 | 4656088 | 20 | 340 | 245 | 405 | 177 | 134 | - | 180 | 145 | 212 | 295 | 230 | 23x8 | 180 | 12,75 | 53,00 |
| 250/10 | 10 | 4656089 | 22 | 405 | 245 | 481 | 214 | 158 | 5 | 213 | 165 | 239 | 350 | 250 | 23x12 | 220 | 12,75 | 80,00 |
| 300/10 | 10 | 4656090 | 24,5 | 460 | 245 | 503 | 237 | 158 | 11 | 242 | 165 | 239 | 400 | 270 | 23x12 | 280 | 12,75 | 100,00 |
| 350/10 | 10 | 4656091 | 24,5 | 505 | 370 | 595 | 283 | 175 | 28 | 264 | 186 | 271 | 460 | 290 | 23x16 | 320 | 13 | 150,00 |
| 400/10 | 10 | 4656092 | 24,5 | 565 | 370 | 626 | 297 | 175 | 43 | 293 | 186 | 271 | 515 | 310 | 28x16 | 335 | 13 | 180,00 |
| 450/10 | 10 | 4656093 | 25,5 | 615 | 370 | 670 | 333 | 198 | 57 | 320 | 287 | 372 | 565 | 330 | 28x20 | 380 | 37,7 | 225,00 |
| 500/10 | 10 | 4656094 | 26,5 | 670 | 370 | 701 | 344 | 244 | 67 | 345 | 336 | 420 | 620 | 350 | 28x20 | 400 | 37,7 | 265,00 |
| 600/10 | 10 | 4656095 | 30 | 780 | 370 | 749 | 414 | 244 | 98 | 400 | 336 | 420 | 725 | 390 | 31x20 | 440 | 37,7 | 330,00 |
| 700/10 | 10 | 4656096 | 32,5 | 895 | 370 | 838 | 511 | 313 | 126 | 460 | 399 | 484 | 840 | 430 | 31x24 | 540 | 159,84 | 532,00 |
| 800/10 | 10 | 4656097 | 35 | 1015 | 370 | 855 | 530 | 313 | 153 | 520 | 399 | 484 | 950 | 470 | 34x24 | 610 | 159,84 | 695,00 |
| 900/10 | 10 | 4656098 | 37,5 | 1115 | 370 | 965 | 618 | 365 | 181 | 568 | 435 | 519 | 1050 | 510 | 34x28 | 670 | 159,84 | 895,00 |
| 1000/10 | 10 | 4656099 | 40 | 1230 | 370 | 1039 | 650 | 365 | 206 | 625 | 435 | 519 | 1160 | 550 | 37x28 | 740 | 159,84 | 1140,00 |
| 1200/10 | 10 | 4656100 | 45 | 1455 | 485 | 1251 | 782 | 515 | 264 | 738 | 576 | 625 | 1380 | 630 | 41x32 | 900 | 314,21 | 1900,00 |
| 200/16 | 16 | 5013897 | 20 | 340 | 245 | 405 | 177 | 134 | - | 180 | 145 | 212 | 295 | 230 | 23x12 | 180 | 12,75 | 53,00 |
| 250/16 | 16 | 5013902 | 22 | 405 | 245 | 481 | 214 | 158 | 6 | 213 | 165 | 239 | 355 | 250 | 28x12 | 220 | 12,75 | 80,00 |
| 300/16 | 16 | 5013907 | 24,5 | 460 | 245 | 503 | 237 | 158 | 11 | 242 | 165 | 239 | 410 | 270 | 28x12 | 280 | 12,75 | 100,00 |
| 350/16 | 16 | 9881K 7316 | 26,5 | 520 | 370 | 595 | 283 | 175 | 28 | 272 | 186 | 271 | 470 | 290 | 28x16 | 320 | 13 | 150,00 |
| 400/16 | 16 | 5013917 | 28 | 580 | 370 | 626 | 297 | 198 | 43 | 300 | 287 | 372 | 525 | 310 | 31x16 | 335 | 13 | 180,00 |
| 500/16 | 16 | 5013926 | 31,5 | 715 | 370 | 721 | 344 | 244 | 67 | 370 | 336 | 420 | 650 | 350 | 34x20 | 400 | 37,7 | 265,00 |
| 600/16 | 16 | 5013931 | 36 | 840 | 370 | 779 | 414 | 244 | 98 | 432 | 336 | 420 | 770 | 390 | 37x20 | 500 | 37,7 | 330,00 |