En EPD (Environmental Product Declaration) visar en produkts miljöpåverkan under hela livscykeln – baserat på en standardiserad livscykelanalys (LCA). För denna produkt finns en verifierad EPD tillgänglig.
7994 Synoflex flänskoppling
Tillverkare:
Hawle
Synoflex flänskoppling för pålitliga och läckfria anslutningar. Enkel installation, hållbar och korrosionsskyddad för alla typer av rör. Idealisk för både nyinstallation och reparationer.
En EPD (Environmental Product Declaration) visar en produkts miljöpåverkan under hela livscykeln – baserat på en standardiserad livscykelanalys (LCA). För denna produkt finns en verifierad EPD tillgänglig.
Produktbeskrivning
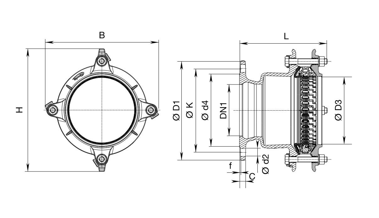
Hawle 7994 Synoflex flänskoppling är en flexibel och innovativ lösning för flänsanslutning mot rör i olika material, inklusive stål, gjutjärn, PE, PVC och asbestcement*. Muffen är identisk med den som används i Synoflex skarvkoppling 7974, vilket säkerställer samma höga täthet, flexibilitet och installationsprincip.
Synoflex-systemet är utrustat med gripringar och en elastomertätning som ger en 100 % läckfri, långlivad och korrosionsskyddad anslutning. Produkten lämpar sig för både nyinstallationer och reparationer i trycksatta system och kan installeras snabbt utan behov av specialverktyg.
Flänskopplingen kan användas för rördimensioner från DN 40 till DN 600. Med Blue Shield-teknologin erhålls ett effektivt skydd mot korrosion, vilket bidrar till lång livslängd även i krävande miljöer. Produkten är testad och godkänd enligt EN 14525 och kan återanvändas vid behov, vilket minskar både kostnader och resursförbrukning.
* Ej dragsäker på asbestcementrör.
| DN1 | PN | Artikelnummer | Antal bultar | B (mm) | Bultar gänga | C (mm) | ØD1 (mm) | Ød2 (mm) | D3 min/max | Ød4 (mm) | f (mm) | H (mm) | ØK (mm) | L (mm) | Vikt (kg) |
|---|---|---|---|---|---|---|---|---|---|---|---|---|---|---|---|
| 50 | 10 | 1038718 | 3 | 141 | M12 | 203 | 165 | 19 | 56–71 | 98 | 4 | 170 | 125 | 203 | 5,10 |
| 65 | 10 | 1038719 | 3 | 156 | M12 | 203 | 185 | 19 | 71–88 | 118 | 4 | 187 | 145 | 203 | 6,10 |
| 80 | 16 | 1038721 | 3 | 171 | M12 | 193 | 198 | 19 | 85–105 | 133 | 4 | 204 | 160 | 193 | 6,70 |
| 100 | 16 | 1038724 | 3 | 226 | M16 | 228 | 220 | 19 | 104–132 | 153 | 4 | 260 | 180 | 228 | 10,30 |
| 125 | 16 | 1038726 | 3 | 250 | M16 | 248 | 250 | 19 | 131–160 | 183 | 4 | 290 | 210 | 248 | 12,90 |
| 150 | 16 | 1038729 | 4 | 315 | M16 | 258 | 285 | 23 | 155–192 | 209 | 4 | 350 | 240 | 258 | 16,50 |
| 200 | 16 | 1038730 | 6 | 326 | M16 | 277 | 340 | 23 | 198–230 | 264 | 4 | 405 | 295 | 277 | 25,40 |
| 250 | 16 | 1038732 | 6 | 408 | M20 | 335 | 400 | 23 | 265–310 | 319 | 4 | 499 | 350 | 335 | 42,70 |
| 300 | 16 | 1038733 | 8 | 510 | M20 | 353 | 455 | 28 | 313–356 | 367 | 4 | 545 | 410 | 353 | 59,10 |
| 350 | 10 | 1038734 | 12 | 550 | M20 | 358 | 520 | 23 | 352–396 | 427 | 4 | 550 | 460 | 358 | 71,00 |
| 400 | 10 | 1038735 | 12 | 596 | M20 | 373 | 580 | 28 | 398–442 | 477 | 4 | 596 | 515 | 373 | 83,00 |
| 450 | 16 | 1010020 | 14 | 671 | M20 | 30 | 642 | 28 | 448–485 | 552 | 4 | 671 | 585 | 387 | 123,00 |
| 500 | 16 | 1010021 | 14 | 721 | M20 | 31 | 717 | 28 | 498–535 | 612 | 4 | 721 | 650 | 397 | 151,00 |
| 600 | 16 | 1010022 | 16 | 825 | M20 | 36 | 840 | 31 | 602–640 | 721 | 5 | 825 | 770 | 398 | 186,70 |
| 80/65 | 16 | 1038720 | 3 | 156 | M12 | 203 | 198 | 19 | 71–88 | 133 | 4 | 187 | 160 | 203 | 6,30 |
| 80/100 | 16 | 1038722 | 3 | 226 | M16 | 263 | 198 | 19 | 104–132 | 133 | 4 | 260 | 160 | 263 | 10,00 |
| 100/80 | 16 | 1038723 | 3 | 171 | M12 | 188 | 220 | 19 | 85–105 | 153 | 4 | 204 | 180 | 188 | 7,30 |
| 100/125 | 16 | 1038725 | 3 | 250 | M16 | 278 | 220 | 19 | 131–160 | 153 | 4 | 290 | 180 | 278 | 12,50 |
| 150/125 | 16 | 1038727 | 3 | 250 | M16 | 245 | 285 | 23 | 131–160 | 209 | 4 | 290 | 240 | 245 | 13,80 |
| 150/200 | 16 | 5005223 | 6 | 315 | M20 | 14 | 340 | 23 | 198–230 | 209 | 4 | 371 | 295 | 309 | 25,90 |
| 200/225 | 16 | 1038731 | 6 | 361 | M20 | 322 | 340 | 23 | 230–260 | 264 | 4 | 445 | 295 | 322 | 32,80 |