8011 Hawle Vario Kort/Lång

Tillverkare:

Hawle

Hawle Vario, flexibel teleskopkoppling för röranslutningar. Möjliggör böjning upp till 10 grader, enkel installation och lång hållbarhet. Perfekt för användning vid rörinstallationer med krav på flexibilitet och justerbarhet. Finns i DN50-200.

  • DN/L (mm) RSK/art.nr
    80/214-344

    4258041

    100/216-350

    4258042

    150/250-408

    4258043

    200/282-450

    4258044

Produktbeskrivning

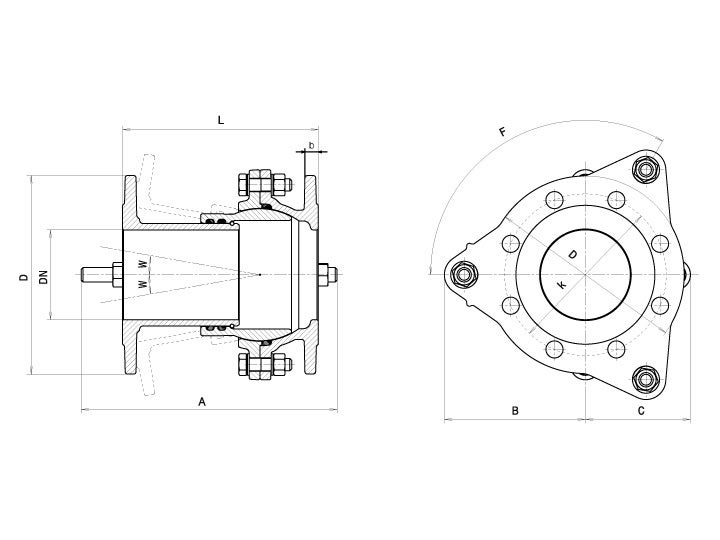
Hawle Vario 8011S är en innovativ och flexibel teleskopkoppling som kombinerar funktionerna hos ett FF-ände, den är avvinklingsbar och har ett förlängningsstycke. Den integrerade kulledsdesignen tillåter en böjning på upp till 10 grader i alla riktningar, vilket gör den idealisk för installationer där flexibilitet krävs. Vario-kopplingen är utrustad med en fläns enligt EN 1092-2, PN 16, och är försedd med en låsring som säkerställer att den hålls på plats efter installation. Tillverkad av duktilt järn och epoxibelagd för korrosionsskydd, garanterar denna produkt långvarig hållbarhet och pålitliga anslutningar, både för tryckledningar och applikationer som kräver justerbarhet.

DN/L (mm) PN Artikelnummer A (mm) B (mm) C (mm) D (mm) ØK (mm) Längd (mm) Vikt (kg)
80/214-344 16 4258041 415 147 107 200 160 214 – 344 16,85
100/216-350 16 4258042 415 157 117 220 180 216 – 350 19,80
150/250-408 16 4258043 480 190 190 285 240 250 – 408 36,00
200/282-450 10 4258044 530 229 229 340 297 282 – 450 52,20

Liknande produkter