En EPD (Environmental Product Declaration) visar en produkts miljöpåverkan under hela livscykeln – baserat på en standardiserad livscykelanalys (LCA). För denna produkt finns en verifierad EPD tillgänglig.
7975 Syno2000 skarvkoppling
Tillverkare:
Hawle
Syno2000 koppling för alla typer av rörmaterial. Enkel installation, hållbar och korrosionsbeständig för både ovan- och underjord installationer. Perfekt för reparation och nyinstallation.
En EPD (Environmental Product Declaration) visar en produkts miljöpåverkan under hela livscykeln – baserat på en standardiserad livscykelanalys (LCA). För denna produkt finns en verifierad EPD tillgänglig.
Produktbeskrivning
Hawle 7975 Syno2000 koppling är en flexibel och pålitlig lösning för att koppla samman alla vanliga typer av rör, inklusive stål, gjutjärn, PE, PVC och asbestcement*. Kopplingen erbjuder snabb och enkel installation, vilket sparar både tid och arbetskraft på byggarbetsplatsen. Med Hawles genomarbetade epoxy säkerställs långvarigt korrosionsskydd både invändigt och utvändigt. Syno2000-systemet är kompatibelt med många rördimensioner och är idealiskt för både reparationer och nyinstallationer, där den erbjuder en säker och läckfri anslutning. Produkten är även återanvändbar, vilket minskar behovet av nya kopplingar och sparar både kostnader och resurser.
* = Ej dragsäker.
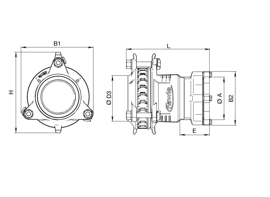
| DN/YD | PN | Artikelnummer | ØA (mm) | Antal bultar | B1 (mm) | B2 (mm) | Bultar gänga | D3 min/max | E (mm) | H (mm) | L (mm) | Vikt (kg) |
|---|---|---|---|---|---|---|---|---|---|---|---|---|
| 50/63 | 16 | 1150570 | 63 | 3 | 141 | 124 | M12-80 | 56–71 | 80 | 170 | 238 | 4,00 |
| 80/90 | 16 | 1038739 | 90 | 3 | 171 | 152 | M12-80 | 85–105 | 85 | 204 | 253 | 6,12 |
| 100/110 | 16 | 1038740 | 110 | 3 | 226 | 176 | M16-100 | 104–132 | 100 | 260 | 285 | 10,16 |
| 100/125 | 16 | 1150578 | 125 | 3 | 226 | 195 | M16-100 | 104–132 | 91 | 260 | 289 | 112,00 |
| 150/160 | 16 | 1150571 | 160 | 4 | 315 | 236 | M16-110 | 155–192 | 105 | 350 | 326 | - |
| 150/180 | 16 | 1038741 | 180 | 4 | 315 | 258 | M16-110 | 155–192 | 119 | 350 | 336 | 17,20 |
| 200/200 | 16 | 1150572 | 200 | 6 | 326 | 284 | M16-130 | 198–230 | 123 | 371 | 342 | 19,60 |
| 200/225 | 16 | 1150573 | 225 | 6 | 326 | 314 | M16-130 | 198–230 | 127 | 371 | 354 | 30,00 |
| 250/250 | 16 | 1038748 | 250 | 6 | 408 | 347 | M20-130 | 265–310 | 140 | 464 | 406 | 30,50 |
| 250/280 | 16 | 1150574 | 280 | 6 | 408 | 376 | M20-130 | 265–310 | 151 | 464 | 407 | 45,80 |
| 300/315 | 16 | 1150575 | 315 | 12 | 550 | 422 | M20-130 | 313–356 | 178 | 550 | 541 | 46,80 |
| 350/355 | 10 | 1150576 | 355 | 12 | 550 | 472 | M20-130 | 352–396 | 232 | 550 | 541 | 68,00 |
| 400/400 | 10 | 1150577 | 400 | 12 | 596 | 490 | M20-130 | 398–442 | 261 | 596 | 573 | 87,00 |