Byggvarubedömd produkt - Id: 158260, Produkten har fått bedömningen "Accepteras" av Byggvarubedömningen.

En EPD (Environmental Product Declaration) visar en produkts miljöpåverkan under hela livscykeln – baserat på en standardiserad livscykelanalys (LCA). För denna produkt finns en verifierad EPD tillgänglig.

Ladda ned

4044 E3 Slussventil av segjärn med PE-ändar, SDR 17

Tillverkare:

Hawle

Mjuktätande slussventil med dragsäkra fabriksmonterade PE-ändar i SDR17. Utrustad med kullager i ventilhalsen (från DN 250) för låg manöverkraft även vid långvarig drift. Ventilhus i segjärn med epoxibeläggning ≥250 μm och skyddsringsbarriär mot transportskador. Spindel i duplexstål och kraftig kägelmutter för hög hållfasthet. Förberedd för ställdon och lägesindikator.

  • DN/YD RSK/art.nr
    250/250

    4296580

    250/280

    4296581

    300/315

    4296582

    300/355

    4296583

    350/400

    4296584

Byggvarubedömd produkt - Id: 158260, Produkten har fått bedömningen "Accepteras" av Byggvarubedömningen.

En EPD (Environmental Product Declaration) visar en produkts miljöpåverkan under hela livscykeln – baserat på en standardiserad livscykelanalys (LCA). För denna produkt finns en verifierad EPD tillgänglig.

Ladda ned

Produktbeskrivning

Slussventil Nr. 4044E3 är en mjuktätande ventil med fabriksmonterade PE-ändar i SDR17 och är avsedd för svetsning till PE-tryckrör i system där längre ledningslängder och lägre väggtjocklek förekommer. Ventilen är 100 % dragsäker och passar utmärkt för nedgrävning i mark eller installation i väderutsatta miljöer.

Ventilhus och överdel är tillverkade i segjärn enligt EN-GJS-400-15 och epoxibelagda med minst 250 µm enligt RAL-GZ 662, vilket ger ett mycket effektivt skydd mot korrosion. Spindeln är tillverkad i slitstarkt duplexstål enligt EN 1.4162 och har en slipad yta med låg friktion för lång livslängd och enkel manövrering. Från och med DN 250 är ventilhalsen utrustad med kullager för ytterligare reduktion av manövermotståndet.

Kägeln är helöverdragen med vulkaniserat elastomer och sitter fast i en överdimensionerad kägelmutter med lång gänga, vilket möjliggör höga manövreringsmoment utan skador. Den dubbla bajonettkopplingen mellan spindel och överdel ger en säker tätning och skyddad konstruktion. O-ringar och tätningar i överdelen är utbytbara under fullt drifttryck.

Skyddsring av PE skyddar ventilen mot skador vid transport och hantering. Ventilen levereras med återanvändbara skyddslock på båda PE-ändarna. Den är dessutom förberedd för eftermontering av ställdon och lägesindikator.

Material
Hus / överdel / centrerfläns

Segjärn EN-GJS-400-15 enligt EN 1563. Epoxipulverlackerad invändigt och utvändigt enligt EN 14901 och DIN 3476-1 med hänsyn till RAL-GZ 662 kvalitets- och provningskrav. Skikttjocklek minst 250 µm. Porfrihet gnistprov minst 3000 V. Vidhäftning minst 16 N/mm².

Kägla

Segjärn EN-GJS-400-15. Flexibel kägelmutter och fullt förbunden med käglan via helt vulkaniserad elastomer enligt EN 681-1. I DN50 är käglan utförd i mässing CuZn21Si3P

Kägelguide / glidskivor / centreringsring

POM

Kägelmutter

Mässing CuZn21Si3P. Gänglängd på kägelmutter större än 1,2 gånger spindeldiametern.

Spindel

Duplex rostfri stålspindel med rullad gänga och planvalsad friktionsreducerad yta. Icke stigande spindel av duplex rostfritt stål 1.4162 (PREN värde cirka 26). Spindeln polerad i området för O-ringstätning.

O‑ringshållare

O-ringshållare

Mässing CuZn40Pb2. Dubbel bajonettkoppling DN 50 till DN 200

O-ringar / överdelspackning / centrerflänspackning / läpptätningar / avtorkarring

EPDM-elastomer enligt EN 681-1.

Täcklock / kantskyddsring

PE

Gripring

Mässing CuZn49Pb2

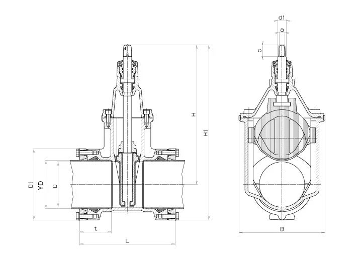
DN/YD PN Artikelnummer B (mm) D (mm) Spindel a (mm) Spindel c (mm) Spindel Ød1 (mm) t (mm) Ventil H (mm) Ventil H1 (mm) Ventil L (mm) Vikt (kg)
250/250 16 4296580 432 347 27,3 48,0 34,0 147 649 844 400 104,50
250/280 16 4296581 518 376 27,3 48,0 34,0 150 731 858 420 116,00
300/315 16 4296582 518 422 27,3 48,0 34,0 176 731 964 472 188,00
300/355 16 4296583 518 470 27,3 48,0 34,0 237 731 988 687 197,60
350/400 16 4296584 603 516 27,3 48,0 34,0 253 816 1075 744 270,60

Liknande produkter