Garnityr för slussventiler, galvaniserade
Varumärke:
Hawle
En EPD (Environmental Product Declaration) visar en produkts miljöpåverkan under hela livscykeln – baserat på en standardiserad livscykelanalys (LCA). För denna produkt finns en verifierad EPD tillgänglig.
Tillverkare:
Hawle
Mjuktätande slussventil med fläns i ena änden och PE-svetsände i den andra (SDR11). Robust, dragfast konstruktion med dubbeltätning och inbyggd stödhylsa. Epoxibelagd ≥250 µm. Spindel i slipat duplexstål, kägla med vulkaniserat elastomer. Förberedd för ställdon och lägesindikator. Lämplig för både stum- och elektrosvetsning.
En EPD (Environmental Product Declaration) visar en produkts miljöpåverkan under hela livscykeln – baserat på en standardiserad livscykelanalys (LCA). För denna produkt finns en verifierad EPD tillgänglig.
Slussventil Nr. 4090E3 är en mjuktätande ventil med slätt, fullt genomlopp, där ena sidan har en standardfläns enligt EN 1092-2 och den andra en PE-ände (SDR11) för svetsning mot PE-rör enligt EN 12201 och DIN 8074. Den dragsäkra kopplingen säkerställs genom en högpresterande tätning med dubbla o-ringar samt stödhylsa för varje PE-ände.
Ventilen är tillverkad i segjärn EN-GJS-400-15, invändigt och utvändigt epoxibelagd med en minsta skikttjocklek på 250 µm enligt RAL-GZ 662, vilket ger ett långsiktigt korrosionsskydd. Käglan är helöverdragen med vulkaniserat elastomer och kopplad till en överdimensionerad kägelmutter med lång gänga för att klara höga moment.
Spindeln är tillverkad i slipat duplexstål och försedd med glidskivor och kullager för friktionsfri manövrering över tid. Den dubbla bajonettkopplingen mellan spindel och överdel gör det enkelt att byta tätningar under drift. Ventilen är 100 % lämpad för nedgrävning och kan rengöras med rens-pig.
Förberedd för ställdon eller lägesindikator.
| Material | |
|---|---|
| Hus / överdel / centrerfläns | Segjärn EN-GJS-400-15 enligt EN 1563. Epoxipulverlackerad invändigt och utvändigt enligt EN 14901 och DIN 3476-1 med hänsyn till RAL-GZ 662 kvalitets- och provningskrav. Skikttjocklek minst 250 µm. Porfrihet gnistprov minst 3000 V. Vidhäftning minst 16 N/mm². |
| Kägla | Segjärn EN-GJS-400-15. Flexibel kägelmutter och fullt förbunden med käglan via helt vulkaniserad elastomer enligt EN 681-1. I DN50 är käglan utförd i mässing CuZn21Si3P |
| Kägelguide / glidskivor / centreringsring | POM |
| Kägelmutter | Mässing CuZn21Si3P. Gänglängd på kägelmutter större än 1,2 gånger spindeldiametern. |
| Spindel | Duplex rostfri stålspindel med rullad gänga och planvalsad friktionsreducerad yta. Icke stigande spindel av duplex rostfritt stål 1.4162 (PREN värde cirka 26). Spindeln polerad i området för O-ringstätning. |
| O‑ringshållare | O-ringshållare Mässing CuZn40Pb2. Dubbel bajonettkoppling DN 50 till DN 200 |
| O-ringar / överdelspackning / centrerflänspackning / läpptätningar / avtorkarring | EPDM-elastomer enligt EN 681-1. |
| Täcklock / kantskyddsring | PE |
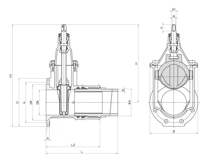
| DN/YD | PN | Artikelnummer | ØA (mm) | Antal bultar | B (mm) | Bultar gänga | Bultar Ød2 | Ød4 (mm) | Flänsar C (mm) | Flänsar ØD (mm) | ØK (mm) | L2 (mm) | Spindel a (mm) | Spindel c (mm) | Spindel Ød1 (mm) | Ventil H (mm) | Ventil H1 (mm) | Ventil L (mm) | Vikt (kg) |
|---|---|---|---|---|---|---|---|---|---|---|---|---|---|---|---|---|---|---|---|
| 80/90 | 16 | 5018912 | 90 | 8 | 180 | M 16 | 19 | 133 | 19 | 200 | 160 | 245 | 17,3 | 19,0 | 24,0 | 313 | 413 | 425 | 18,00 |
| 100/110 | 16 | 5019308 | 110 | 8 | 213 | M 16 | 19 | 153 | 19 | 220 | 180 | 265 | 19,3 | 19,0 | 24,0 | 343 | 453 | 450 | 25,00 |
| 150/160 | 16 | 5018928 | 160 | 8 | 285 | M 20 | 23 | 209 | 19 | 285 | 240 | 320 | 19,3 | 19,0 | 26,0 | 433 | 576 | 503 | 44,20 |